WhatsApp:+86 180 0252 3836 E-mail:witarea@qq.com

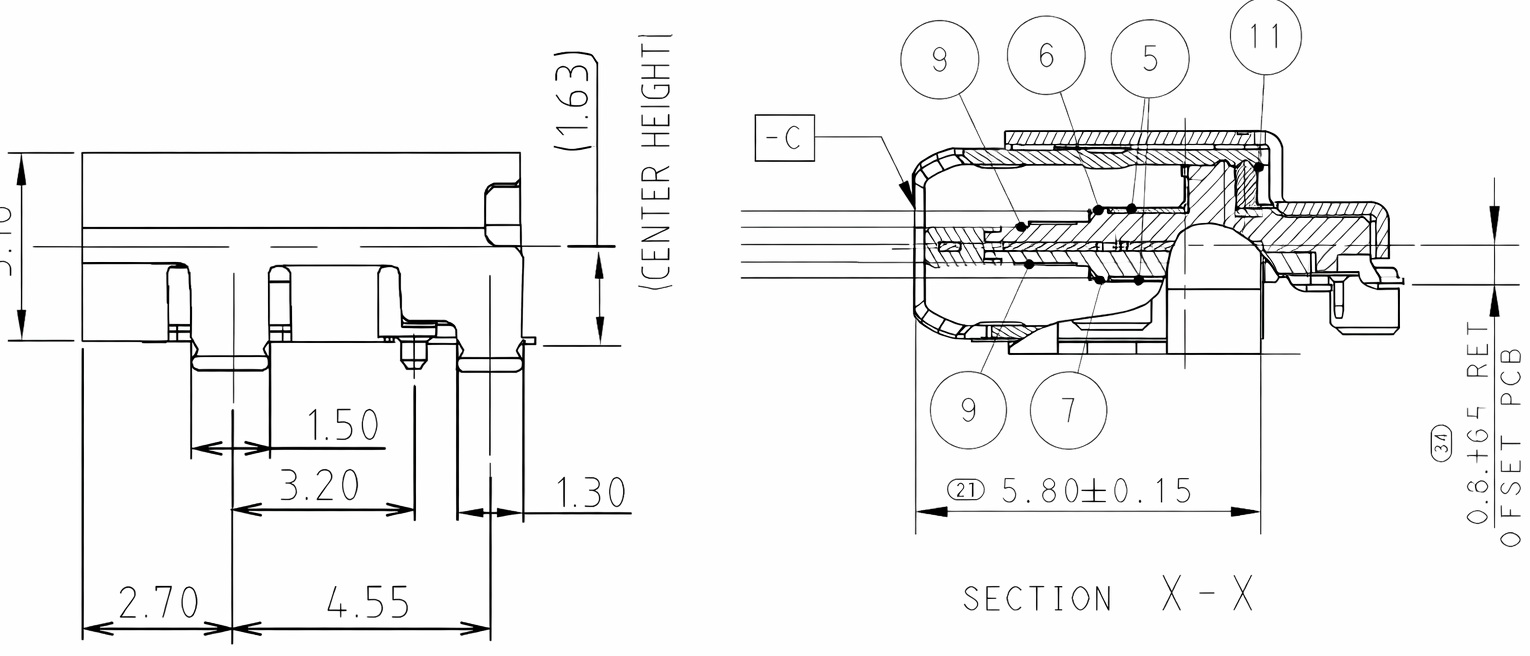
1. Introduction to Connector Parameters: In the connector industry, terms like "top mount" and "middle mount" are relatively easy to understand. However, when it comes to more technical specific...
View More
USB4/3.1 Type-C 24-Pin SMT/DIP Hybrid Male Plug A Complete Technical Guide USB Type-C continues to evolve, and USB4/3.1 connectors now appear in compact consumer electronics, industrial syste...
View More